網站首頁
關于貫川
産品中心
新聞中心
案例展示
車間展示
021-66032528
在線留言
聯系我們
網站首頁
關于貫川
公司簡介
榮譽資質
企業文化
産品中心
水系列閥門
暖通系列閥門
消防系列閥門
通用系列閥門
自(zì)控閥系列
新聞中心
公司新聞
行業新聞
媒體新聞
案例展示
車間展示
首頁
> 産品中心 > 通用系列閥門
産品中心
product
→ 通用系列閥門
→ 自(zì)控閥系列
→ 消防系列閥門
→ 水系列閥門
→ 暖通系列閥門
通用系列閥門
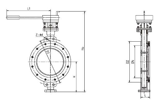
金屬硬密封對夾式蝶閥
特點:
原理(lǐ):
021-66032528
在線咨詢
産品概述
技術參數
電話
QQ
留言